Wie weet wat dit voor onderdeel is?
Re: flying HY
[attachment=0]20251126_193740.jpg[/attachment
Dit zat in mijn oliecarter iemand raad van waar komt dit
Dit zat in mijn oliecarter iemand raad van waar komt dit
- Bijlagen
-
- Dit vond ik in mijn oliecarter van waar komt dit, iemand raad
- 20251126_193740.jpg (3.96 MiB) 117415 keer bekeken
-
Thomas_hy
- HY Forum Expert

- Berichten: 88
- Lid geworden op: vr okt 20, 2017 7:15 pm
- Kenteken: BE2150
- Locatie: Gelderland
Wie weet wat dit voor onderdeel is?
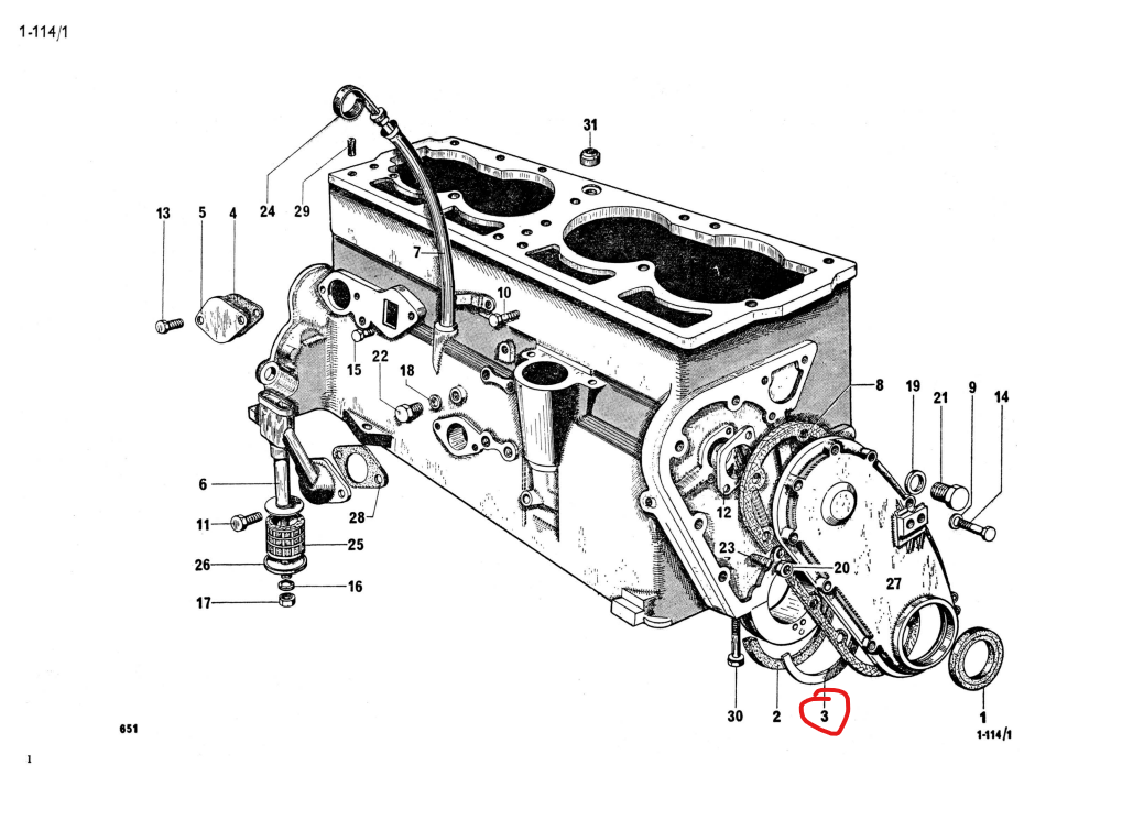
Dat is het Carter pan halve maantje. deze houd de carterpan pakking op zijn plek ivm de inhammen van de krukaslagerkap
nummer 3 op de afbeelding
nummer 3 op de afbeelding
- Bijlagen
-
- motor.png (474.95 KiB) 78104 keer bekeken
- LEiPiE
- Site Admin

- Berichten: 2685
- Lid geworden op: zo aug 29, 2004 2:18 am
- Kenteken: 44-02-XD
- Locatie: Hengelo (OV)
- Contacteer:
Re: Wie weet wat dit voor onderdeel is?
Even verplaatst, dit hoort niet in het onderwerp waarin FlyingHY zich voorstelde 
MurpHY rijdt: weinig | LEiPiE heet ook wel Ewald
Re: flying HY
Hallo iedereen, heeft er iemand ervaring met het vervangen van de koppeling, de vraag is wat is het beste zonder brug, de motor er uit of gewoon de versnellingsbak achteruit, citroën hy 1967 1900cc
Online
Re: flying HY
Blok naar voren rollen op een karretje.
Bak kan blijven zitten. Vervang meteen druklager/segment
Bak kan blijven zitten. Vervang meteen druklager/segment

